Варочный центр Smeg A2-81
Руководство по эксплуатации: (скачать)
Элегантная модель из серии Classica рассчитана на большую кухню и немаленькую семью: на ее метровой варочной панели располагается шесть газовых конфорок, а снизу — две электродуховки. Варочный центр настолько популярен, что мы посвятили ему отдельный обзор. Две конфорки повышенной мощности позволят значительно ускорить процесс приготовления любых продуктов, решетка WOK позволит готовить в котлах и другой посуде с выгнутым дном. Газ-контроль и электроподжиг сделают использование горелок простым и безопасным, а точная регулировка пламени понравится и профессиональным поварам, и новичкам.
Украшением варочного центра является черное стекло Eclips, придающее духовкам стильный вид. Но ценят их не только за дизайн, но и за широкий диапазон рабочих температур (от 50 до 260 градусов), таймер с автоотключением, электронный программатор. Очистка каталитическая — стенки покрыты особой эмалью Ever Clean. Загрузку и выгрузку противней облегчают металлические направляющие, а защита от ожогов обеспечивается за счет тройного остекления и тангенциальной системы охлаждения.
Технические характеристики
- Конфорки Газовые
- Количество конфорок 6
- серия SMEG Classica
- Цвет Нержавейка
- Материал рабочего стола Металл
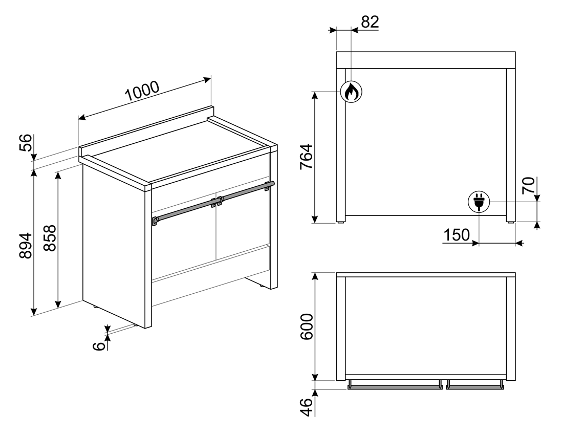
- Высота 89.5 см
- Ширина 100 см
- Глубина 60 см
- Управление Переключатели
- Тип духовки Электрическая
- Внутренний объем 87 л.
- Очистка духовки Каталитическая
- Тип дверцы Откидная
- Количество стекол духовки 3
- Телескопические направляющие Нет
- Конфорка WOK Есть
- Материал решеток Чугун
- Гриль Есть
- Тип гриля Электрический
- Вертел Есть
- Термощуп Нет
- Таймер Есть
- Тип таймера звуковой с отключением
- Электророзжиг Конфорок
- Газ-контроль конфорок Есть
- Цвет фурнитуры В цвет корпуса
- Установка плиты Напольная
- Комбинированный рабочий стол Нет
- Страна-производитель Не указана
Номинальная мощность: 5,3 кВт
Мощность грилей: 2,8 кВт
Напряжение: 220-240 В
Сила тока: 23 А
Эстетика и управление
Нержавеющая сталь матовая
Черное стекло Eclips
Дисплей с сенсорным управлением
Поворотные переключатели
Выдвижной ящик для хранения
Варочная панель
Автоматический электроподжиг
Газ-контроль
Чугунные решетки
6 газовых горелок
Задняя правая повышенной мощности 3,9 кВт
Передняя правая 3,0 кВт
Задняя центральная 1,8 кВт
Передняя центральная 1,0 кВт
Передняя левая - 41,8 кВт
Задняя левая повышенной мощности 3,9 кВт
Функции/ Опции/ Температура левая духовка
7 функций приготовления
Функции очистки: каталитическая
Дополнительные функции: размораживание
Электронный программатор: таймер, автоматическое выключение
Акустический сигнал окончания приготовления
Электронный контроль температуры (50 2600С)
Металлические направляющие, 4 уровня приготовления
Эмаль Ever Clean
Верхняя защитная панель
Откидной гриль
1 лампа накаливания, 25 Вт
3 стекла дверцы
Тангенциальная система охлаждения
Функции/ Опции/ Температура правая духовка
6 функций приготовления
Электронный программатор: таймер, автоматическое выключение
Акустический сигнал окончания приготовления
Электронный контроль температуры (50 2600С)
Металлические направляющие, 4 уровня приготовления
Эмаль Ever Clean
1 лампа накаливания, 25 Вт
3 стекла дверцы
Тангенциальная система охлаждения

Уважаемые покупатели!
Услуги по доставке заказов производит независимая транспортная компания.
Доставка осуществляется не ранее, чем на следующий день после заказа, по согласованию с менеджером магазина!
Основным условием доставки является нахождение покупателя на адресе принятия заказа весь интервал доставки, заранее определенный с продавцом.
Доставка заказанного товара осуществляется с 10-18.
Убедительная просьба присутствовать по указанному адресу доставки в течение дня!
Доставка по Москве:
- Доставка осуществляется в коридор квартиры без дальнейшего проноса;
- Занос бытовой техники в квартиру осуществляется при наличии свободного прохода. Работникам транспортной компании категорически запрещается снимать отдельные части приборов (дверцы, ручки и т. д.), мешающие транспортировке товара – в дальнейшем это может послужить причиной отказа сервисного центра от гарантийного ремонта;
- Стоимость доставки одной позиции в пределах МКАД отображена в карточке товара и при заказе включается в стоимость товара. Если заказывается более одного предмета, то общая стоимость доставки представляет собой сумму между полной стоимостью доставки на старшую модель (наибольшая стоимость доставки из всех товаров в заказе) и стоимостью доставки на последующие товары, с учетом скидки, представляемой при заказе нескольких позиций по одному адресу. Приоритетность первой единицы товара определяется большей стоимостью доставки. Аксессуары, если заказываются без техники, доставляются платно.
Доставка за пределы МКАД:
- Стоимость доставки по Москве + 40 руб./км. от МКАД
Доставка по Санкт-Петербургу:
Доставка заказанного товара осуществляется в интервале с 11-00 до 18-00 часов.
Убедительная просьба присутствовать по указанному адресу доставки в течение дня!
- Доставка осуществляется в коридор квартиры без дальнейшего проноса;
- Занос бытовой техники в квартиру осуществляется при наличии свободного прохода. Работникам транспортной компании категорически запрещается снимать отдельные части приборов (дверцы, ручки и т. д.), мешающие транспортировке товара – в дальнейшем это может послужить причиной отказа сервисного центра от гарантийного ремонта;
- Стоимость доставки одной позиции в пределах КАД отображена в карточке товара и при заказе включается в стоимость товара. Если заказывается более одного предмета, то общая стоимость доставки представляет собой сумму между полной стоимостью доставки на старшую модель (наибольшая стоимость доставки из всех товаров в заказе) и стоимостью доставки на последующие товары, с учетом скидки, представляемой при заказе нескольких позиций по одному адресу. Приоритетность первой единицы товара определяется большей стоимостью доставки. Аксессуары, если заказываются без техники, доставляются платно.
Доставка в Тверь и Рязань:
- Каждую среду;
- Доставка осуществляется в коридор квартиры без дальнейшего проноса;
- Занос бытовой техники в квартиру осуществляется при наличии свободного прохода. Работникам транспортной компании категорически запрещается снимать отдельные части приборов (дверцы, ручки и т. д.), мешающие транспортировке товара – в дальнейшем это может послужить причиной отказа сервисного центра от гарантийного ремонта;
- Стоимость доставки одной позиции в пределах города отображена в карточке товара и при заказе включается в стоимость товара. Если заказывается более одного предмета, то общая стоимость доставки представляет собой сумму между полной стоимостью доставки на старшую модель (наибольшая стоимость доставки из всех товаров в заказе) и стоимостью доставки на последующие товары, с учетом скидки, представляемой при заказе нескольких позиций по одному адресу. Приоритетность первой единицы товара определяется большей стоимостью доставки. Аксессуары, если заказываются без техники, доставляются платно.
Доставка в Калугу и Тулу:
- Каждый четверг;
- Доставка осуществляется в коридор квартиры без дальнейшего проноса;
- Занос бытовой техники в квартиру осуществляется при наличии свободного прохода. Работникам транспортной компании категорически запрещается снимать отдельные части приборов (дверцы, ручки и т. д.), мешающие транспортировке товара – в дальнейшем это может послужить причиной отказа сервисного центра от гарантийного ремонта;
- Стоимость доставки одной позиции в пределах города отображена в карточке товара и при заказе включается в стоимость товара. Если заказывается более одного предмета, то общая стоимость доставки представляет собой сумму между полной стоимостью доставки на старшую модель (наибольшая стоимость доставки из всех товаров в заказе) и стоимостью доставки на последующие товары, с учетом скидки, представляемой при заказе нескольких позиций по одному адресу. Приоритетность первой единицы товара определяется большей стоимостью доставки. Аксессуары, если заказываются без техники, доставляются платно.
Доставка во Владимир:
- Каждый нечётный четверг;
- Доставка осуществляется в коридор квартиры без дальнейшего проноса;
- Занос бытовой техники в квартиру осуществляется при наличии свободного прохода. Работникам транспортной компании категорически запрещается снимать отдельные части приборов (дверцы, ручки и т. д.), мешающие транспортировке товара – в дальнейшем это может послужить причиной отказа сервисного центра от гарантийного ремонта;
- Стоимость доставки одной позиции в пределах города отображена в карточке товара и при заказе включается в стоимость товара. Если заказывается более одного предмета, то общая стоимость доставки представляет собой сумму между полной стоимостью доставки на старшую модель (наибольшая стоимость доставки из всех товаров в заказе) и стоимостью доставки на последующие товары, с учетом скидки, представляемой при заказе нескольких позиций по одному адресу. Приоритетность первой единицы товара определяется большей стоимостью доставки. Аксессуары, если заказываются без техники, доставляются платно.
Расценки за ручной подъём:
- 1-ый этаж — бесплатно;
- варочные поверхности, вытяжки выдвижного типа, СВЧ – 50 руб./эт.;
- духовые шкафы, вытяжки 60, 90 см, купольные вытяжки, газовые и электрические плиты – 200 руб./эт.;
- стиральные, сушильные машины, посудомоечные машины, холодильники, кондиционеры – 200 руб./эт.;
- холодильники шириной больше 70см – 300 руб./эт.;
- холодильники Side-by-Side – 500 руб./эт.;
- негабаритный и крупногабаритный товар – 500 руб./эт.(определяется уполномоченным сотрудником Подрядчика перед выполнением доставки исходя из следующих критериев: габаритные размеры единицы товара cвыше 230 см. одного из параметров (длина, ширина, высота, глубина), либо свыше 120 см. в диаметре, либо вес единицы товара свыше 100 кг.);
- ручной пронос после первых 20м, каждые последующие 20м приравнивается к стоимости подъема за один этаж.
Доставка транспортными компаниями по России:
- Деловые Линии - Калькулятор
- ПЭК - Калькулятор
- ЖелДорЭкспедиция - Калькулятор
- БайкалСервис - Калькулятор
- Скиф-Карго - Калькулятор
Порядок оформления заказов по России:
1. Оформление заказа
Сделайте заказ на нашем сайте или по многоканальному телефону +7(495)980-7249
Обязательно укажите Ваш контактный телефон и адрес электронной почты.
После уточнения всех деталей заказа на Ваш адрес электронной почты будет выслан счет на оплату товара.
Внимание: стоимость услуг по доставке товара оплачивает получатель.
2. Оплата товара
Оплатить товар может юридическое или физическое лицо в любом банке России.- Если Вы выбрали компанию и хотите, чтобы мы доставили груз до склада транспортной компании, то стоимость доставки включается в счет. Тарифы на доставку по г.Москве см. выше.
- Если транспортная компания забирает товар с нашего склада, то Вы по счету оплачиваете только стоимость товара.
- Счет для оплаты товара действителен в течение 3 банковских дней. Товары резервируются по факту поступления денежных средств на наш рассчетный счет.
- Если к моменту поступления оплаты заказанного товара не окажется в наличии, покупателю будет предложена альтернатива или возврат затраченных средств. Внимание: отправка товара наложенным платежом не производится.
3. Отгрузка товара
После поступления оплаты Ваш заказ формируется на складе интернет магазина. Как правило, это происходит в течение 3 рабочих дней.
В зависимости от выбранной транспортной компании, заказ направляется собственной курьерской службой до сборного пункта или отгружается на нашем складе.
В целях обеспечения сохранности груза в процессе транспортировки, на крупногабаритные и дорогостоящие товары транспортные компании могут применить дополнительную упаковку - деревянную обрешётку, защищающую Ваш груз от механических повреждений.
После передачи заказа в транспортную компанию Вам по электронной почте будет отправлено уведомление с номером транспортной накладной, по которой Вы сможете отследить прохождение своего груза на сайте транспортной компании
4. Получение товара
С ожидаемыми сроками доставки заказа до Вашего города можно ознакомиться на сайте выбранной транспортной компании.
Некоторые ТК предоставляют услугу "доставка до двери" - если Вы воспользуетесь ею, то заказ доставят на дом. В противном случае, ТК осуществляет доставку до своего склада в Вашем городе.
Для получения груза в ТК необходимо иметь: для физических лиц – паспорт гражданина РФ, для юридических лиц – паспорт гражданина РФ и доверенность на получение груза.
При получении заказа обязательно убедитесь в отсутствии повреждений упаковки (трещин, помятостей, следов воздействия жидкостей и т. д.). В случае обнаружения нарушений упаковки составляется акт о повреждении груза (представители транспортной компании знают, как составляются подобные документы). При этом не следует получать отправление и подписывать накладную.
Претензии к внешнему виду доставленного Вам товара в соответствии со ст. 458 и 459 ГК РФ Вы можете предъявить только до передачи Вам товара продавцом. Ссылки на загрязнённость товара, недостаточную освещённость помещения, поторапливания со стороны экспедиторов и прочие причины, не являются основанием для невыполнения Вами требований ст. 484 ГК РФ.
Обязательно убедитесь в отсутствии дефектов и комплектности товара, прежде чем расписаться в товарном чеке.
ПОМНИТЕ! Претензии к внешнему виду доставленного Вам товара в соответствии со ст. 458 и 459 ГК РФ Вы можете предъявить только до передачи Вам товара продавцом. Ссылки на загрязнённость товара, недостаточную освещённость помещения, поторапливания со стороны экспедиторов и прочие причины, не являются основанием для невыполнения Вами требований ст. 484 ГК РФ.
Варочный центр Smeg A2-81 в интернет-магазине по цене 382690 руб. с доставкой по Москве МО, и по всей России. Для того, чтобы купить данный товар, положите его в корзину или позвоните по телефону +7 (495) 980-7249. Заказ рекомендуем делать через корзину сайта, чтобы избежать ошибок в адресе доставки и получателе.
Все товары привозятся в оригинальной упаковке и вскрываются в Вашем присутствии. Информация на сайте носит справочный характер и не является публичной офертой. Компания Smeg оставляет за собой право на внесение изменений в конструкцию, дизайн и комплектацию приборов без предварительного уведомления.




